Ein seltener überlebender Volltransistor TV - Der HITACHI CEP-285 Solid-State mit dem PAL-3 Chassis aus 1974.

  HITACHI CEP-285 HITACHI Radio TV

Bild: Der zudem funktionsfähig erhalten gebliebene Fernseher. Lediglich das Gehäuse hat seine Blessuren abbekommen. Rechts das bekannte HITACHI Logo.

So schlägt er sich noch über 50 Jahre später!

Exkurs:

Dieses 47 cm Farb-TV Gerät war Beifang bei der von mir bereits beschriebenen großen Auktion zur Corona Zeit. Nachzulesen in meinem Bericht zum russisch/sowjetischen START 3 Fernsehgerät.

Bei einem Rufpreis von nur € 5,- Euro (+22% Aufschlag) konnte und wollte ich zu einer dieser frühen PAL Volltransistor TV's nicht nein sagen.

Dies in der Absicht mich mit dem damalig technischen Konzept der Japaner fernab von all den bekannten Kandidaten von PHILIPS und GRUNDIG etc. ein wenig beschäftigen zu wollen.

Auktion 2021

Doch erst jetzt, gut vier Jahre später bot sich endlich die Gelegenheit zusammen mit einem Sammlerfreund im Rahmen eines erweiterten "Workshop" Nachmittags diverse Geräte, so auch dieses erstmalig zu inspizieren und einem Praxistest zu unterziehen.

Einleitung:

Zur Marke HITACHI - Bezogen auf deren Konsumgeräteelektronik:

Ich kannte bzw. nahm hinsichtlich der HITACHI Geräte eher aus dem Bereich von deren s/w Portable TV's aus den 1970ern wahr.

Zumindest deren 1970er und frühen 1980er Jahre empfand ich im Design eher immer etwas grobschlächtig(er) denn der mit Chromtrims verzierte Wettbewerb wie es u.a. über die Fa. KAPSCH die Importe von SHARP mit deren Linitron Serie oder eben auch SONY Trinitron darstellten.

So wie etwa Play-BIG mit Playmobil im Vergleich. Aber wie so oft, im Nachhinein wandelt sich mitunter die eigene Sicht auf bestimmte Designmerkmale. So zum Teil eben auch hier.

CRP-145 36 cm Color TV Bild: Der HITACHI CRP-145 36 cm Color TV. Niedlich und verspielt wirkend anzusehen. Erst heutzutage würde er mir gefallen können.

Was diese Geräte, so auch die Farb-TV's diverser anderer japanische Marken zumeist Hitachi CRP-147hatten, allen voran die günstigen die eben als Preisbrecher den Markt erobern sollten, das waren die getrennten VHF Trommeltuner und UHF Abstimmräder die im Alltag beim Bedienkomfort im Vergleich zu europäischen Drucktastenabstimmung etwas nachstanden.

Bild Rechts: Der HITACHI CRP-147 wie er u.a. in Kinderzimmern stand und die bequemeren Drucktastenabstimmung aufwies.

Zum Bearbeiten des europäischen Marktes wurden hierzu eigene Verkaufsniederlassungen gegründet. So eben auch in Deutschland/Hamburg von wo der Markt aufgerollt werden sollte:

Hitachi Sales

Zumeist erst die besseren sprich etwas teureren Modelle all dieser Hersteller ebenso Abstimmaggregate für ca. 8 Programme und saisonbedingt auch Sensortasten aufweisen konnten.

Diese "japanischen" Marken wurden dann später in den 1980ern u.a. auch in Werken in Großbritanien gefertigt wo Magret Thatcher auf diesen Wege die Wirtschaft ankurbeln wollte.

Wir kennen dieserlei Spiele aktuell (um 2025) wieder mit der nunmehr chinesischen KFZ Industrie.

Für Österreich wird für den April 1974 die im Namen etwas gewöhnungsbedürftig klingende Firma "Psychotronic" Wien 10, genannt, die HITACHI-SHIBADEN eine Tochterfirma wohl vornehmlich in Sachen Studiotechnik im Land vertrat.

Pompa

Man war sich weiters nicht zu dumm gar ein eigenes Maskottchen, augenscheinlich einem das Mantra stetig wiederholenden farbstarken Papagei mit dem für unsere Ohren etwas sperrig klingenden Namen "POMPA" ins Rennen zu schicken (C) HITACHI.

Letzteres, um die in jener Zeit beliebte Instant- also Sofort Bild Funktion werbewirksam zu kommunizieren.

Was ich zum Thema bereits zum NATIONAL-PANASONIC "Quintrix" in der Anekdote: >Diese Geräte müssen "ausgerottet" werden (Standby Teil 1)< ausgeführt habe, gilt hier möglicherweise ebenso. 

 

Gut, jetzt wissen wir das endlich auch. Inwieweit sich einstige europäische Kunden mit diesen Begriffen oder dem Auftritt des Maskottchens tatsächlich leiten ließen ist uns nicht überliefert.

Eine grobe Recherche zeigt, das dies eher in seinem Ursprungsland Japan einen gewissen Hype bzw. Aufmerksamkeitsstatus erreicht hat wie es diese Maskottchen gebraucht u.a. in der Funktion als Sparkasse zu kaufen gibt.

Der farbenfrohe Papagei ähnelt ein wenig in der Funktion wie der Peacock - Pfau des US Sendestationslogo der NBC ab 1956. Die kleinen Portable TV's zudem in Japan der Standard in den kleinen Wohnungen waren.

Hingegen in Europa und den USA eher den Zweit- oder später Dritt-TV darstellten.

Anekdote:

Später, in der zweiten Hälfte der 1980er Jahre rühmte sich ein GRUNDIG Kollege, wonach seine Eltern einen damalig bestausgestatteten HITACHI Stereo-Farb TV bei einer der großen österreichischen Fotomarkt Ketten kauften da dieser viel günstiger gewesen sei als ein vergleichbarer von GRUNDIG aus dem Werk in Wien wo wir damals selbst tätig waren.

Indirekt war dies ein sägen am eigenen Ast auf dem man sitzt was aber ein eigenes Thema wäre.


Zum HITACHI CEP-285 Volltransistor TV

Zwar nahm ich an, das es sich in etwa um die zweite Generation an PAL Farbfernsehchassis, in diesem Fall als japanisches Importgerät handeln müsste.

Wie ein später erhaltener Schaltplan No. 233 aus dem November 1974, zudem in Deutsch gehalten, zeigte, besitzt das Gerät das PAL-3 Chassis, in der Annahme das es eben die dritte Generation für HITACHI darstellt.

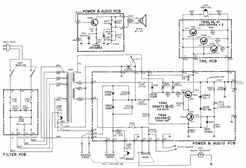
Bild: Der Chassis PAL-3 Aufbau

Gemeint sein dürfte aber die gesamte Chassiskonzeption und nicht nur der Farbteil selbst der nach wie vor Diskret aufgebaut ist..

Ebenso liegt mir die No. 227 als vorläufiges Manual aus Februar 1974 in Englisch vor.

HITACHI CT-150 ChassisWie die Website >EarlyTelevision.org< zu HITACHI ausführt, hat diese Marke 1960 zum Beginn des japanischen inland NTSC Farbfernsehens einen ersten NTSC Farb TV entwickelt und für Normalbürger damals natürlich noch nicht leistbar angeboten.

Bild: Die Anfänge in Sachen Farbfernsehen bei HITACHI mit dem CT-150 NTSC Chassis natürlich da noch in Röhrentechnik konzipiert.

Somit vom Beginn dieser Technologie, bis hin zum Sprung in den Export nur wenig mehr als ein Jahrzehnt verging.

Das generell japanische Hersteller deutlich mehr an den Weltmarkt mit Variationen all ihrer Gerätschaft je nach Netzspannung und Fernsehstandards als europäische Hersteller dachten darf als Bekannt vorausgesetzt werden.

Evolution der frühen HITACHI Farb-TV's für EUROPA:

Tabelle 1: Auszug bekannter Modelle für PAL I & B/G/H Länder

Tabelle HITACHI PAL Farbfernseher 1970er Jahre

 

Hitachi 1970er Jahre PAL Farb TV Modelle

Bild: Die HITACHI Fernsehgerätemodelle um 1974. Die ersten drei Modelle sind für den Markt in Großbritanien nach der dort verwendeten CCIR I Norm (Nur UHF und 6 MHz Ton-/Bildabstand) gedacht.

Die Erstanalyse 

Bei dem niedrigen Preis nahm ich an, dass der TV grundlegend defekt sei in der Hoffnung das zumindest spezifische Teile wie eben die Bildröhre und der Zeilentrafo überlebt haben.

Ein Blick in die Schaltung zeigte eine Netzteilschaltung mit 50 Hz Netztrafo was zum langsamen Hochfahren am Regeltrenntrafo einlud.

Hitachi CEP-285 Chassis

Bild: In Summe 11 Module sind in dem mechanisch zusammenmontierten und herausziehbaren Chassis rund um die 47 cm DELTA-Farbbildröhre integriert. Oben ist die Konvergenzeinheit lokalisiert.

Und zu unserer Überraschung spielte, wenn auch mit geringem Kontrast der TV auf anhieb!

Ein Hauch "Enttäuschung" folgte da man sich einen Reparaturfall gedacht hatte.

Aber nein, ein nach Behandlung des Kontrastreglers mit einem Kontaktspray ergab ein für dieses Baujahr ein sehr gutes Farbbild.

Der Test-Aufbau:

Einmal, das Gerät hat ja keinen A/V Eingang wurde ein alter TOPFIELD SD-Festplattensatreceiver angeschlossen der über den UHF Kanal 36 einige Aufnahmen, darunter auch das PHILIPS PM5544 Testbild in das Gerät einspielen konnte.

 

Auffälligkeiten 1 - Starke Farbsättigung:

Die Testbildaufnahmen wurden mit extrem starker Farbsättigung wiedergegeben. Der Regler musste im ersten fünftel des Steuerbereiches des Schiebereglers verbleiben.

Anders bei einer testweisen TVB-T2 Zuspielung: Hier verhielt sich die Sättigung gutmütiger.

Auffälligkeiten 2 - Konvergenz:

Links oben war ein Auseinanderdriften der R-G-B Strahlen erkennbar wenngleich für normales Zusehen noch nicht extrem störend.

Auffälligkeiten 3 - Vertikalablenkung - Teletextstreifen im oberen Bild:

Eine leichte Art Sinusschwingung ist im oberen Bildteil wie in einer Art Cinemaskopstreifen mit stark sichtbaren Teletext Streifen zu sehen.

Ablenkschaltung

Bild: Rechter Flügel des Chassis mit Ablenkschaltungen

Die Vertikalgeometrie folglich zum Einstellen ist bzw. dort in Sachen Linearität wie der Nord-Süd Kissenentzerrung womöglich ein Fehler steckt.

Man wird sehen.

 

Versuche:

Die aktuell vorhandenen Müter BMR 90 und 95 Bildröhrentester kamen leider nicht zum Zug da wir die nötigen Müter 807 Adapter für die HITACHI Typ 470EHB22 Bildröhre nicht im Fundus hatten.

Die Bildröhre subjektiv Helligkeit und Kontrast bei guter Schärfe bringt. Der leichte Farbstich ins grünliche durch Weißabgleich sicher einstellbar sein wird.

 

In der Tiefen der PAL Farbdekoderschaltung

Zufällig, es war eine Übertragung klassischer Musik aus einem bestens arrangierten Ensemble was auch die zugehörige Ton wie auch Videotechnik betraf, bemerkte man bei bestimmten Kameraschwenks ein starkes verfälschen der Farbe, sprich einem Rotstich.

Farbteil

Bild: Hier "ging man noch zu Fuß". Weitgehenst dirkret aufgebauter PAL Farb-Dekoder aus Japan.

Zuerst dachten wir an einen Fehler seitens der Aufnahme was aber unwahrscheinlich war.

Es zeigte sich, das der UHF Tuner nicht exakt auf den Modulator abgestimmt war was ein Aussetzen des PAL Schalters bzw. falsches 180° gedrehtes Eintakten verursachte.

HITACHI CEP-285 PAL Flip Flop

Bild: Das diskret aufgebaute PAL Flip-Flop gibt Erinnerungen an europäische End-1960er Jahre Technik wie im österreichischen MINERVA Color 680.

Zwar funktionierte bei stärkere Verstimmung der Color-Killer wie er soll und das Bild schaltete oder blieb in s/w.

In diese bestimmten Stellung aber konnte analoge diskrete PAL Technik am "lebenden Objekt" studiert werden.

Für mich ein Deja-Vue- Siehe meine diesbezüglichen ersten Erfahrungen mit dem bekannten PHILIPS K9 Chassis.

 

Die technischen Daten lt. Service Manual:

Das Netzteil:

 

Hitachi CEP-285 Netzteil 

Wie zu erkennen ist es ein 50 Hz Trafo Netzteil, jedoch in Sparschaltung was die letztlich nötige 120 VDC Chassis Versorgung betrifft. Also ein "heißes" Chassis.

Sekundärseitig die Schaltung für die Bildröhren(Vor-)Heizung.

Drei Thermo-Sicherungen sprechen eine Sprache.

Da diese Transformatoren auch in den für Hong-Kong (200 V) und Großbritanien (240V) bestimmten Modellenversionen verbaut waren, können sie heute auf die 240 V Stellung bei unseren 230-240V Netzen umgestellt werden.

Zu beachten ist auch die in A-Betrieb ebenso mit 120 V betriebene Transistor-Endstufe mit Ausgangstransformator.

 

Der Gerätezustand am vorliegenden HITACHI CEP-285, Serien Nummer 4181131, aus etwa 1974

FOLGT 


Ein Echo zu dieser Gerätetype aus dem Web (Auszug)

Der User "veso74" auf https://sandacite.bg/forum/ in Bulgarien schrieb am Montag, 8. Oktober 2007,

"Auch ich kann mich mit einem Fernseher Hitachi CEP-285 rühmen, wahrscheinlich ein Modell von 1976-1978, ein Farbfernseher mit Transformatorstromversorgung den mein Vater im Jahr 2000 aus der Schweiz mitgebracht hat weil er dort nicht mehr gebraucht wurde.

Nach einer kleinen Reparatur, Austausch des Elektrolytkondensators und Hinzufügen eines Tonadapters für 6,5 MHz (Anmerkung: Für den in OIRT Ländern üblichen Tonabstand zur Analog TV Zeit) schaue ich fast täglich fern.

Extras: Sensorische Auswahl eines der 8 voreingestellten Kanäle, Tonregler für den Ton.

Es fällt mir auf, dass der Bildschirm nach so vielen Jahren fast nicht „abgenutzt” ist.

Ich habe mich dafür interessiert und herausgefunden, dass der Bildschirm, nachdem der Fernseher mit dem Ein-/Aus-Schalter ausgeschaltet wurde, auf 2/3 seiner normalen Heizspannung weiterheizt – einfach und genial!

Die meisten Röhrengeräte werden durch eine kalte Katode und eine hohe Anodenspannung in den ersten Augenblicken nach dem Einschalten „gestresst”.

Der Bildschirm ist innen mit einer dicken Eisenpanzerung ummantelt, vermutlich um eine Magnetisierung der Maske zu vermeiden."

Übersetzt mit DeepL.com

Die Eckdaten:

Steckbrief der Kerndaten des HITACHI CEP-285 TV

  Hitachi CEP-285 Data

 

 

Auszug aus Literatur und Quellen:
  1. Diverse HITACHI Werbeschaltungen auf Hifi-Archiv sowie Auktionsplattformen

  2. Original HITACHI Schaltplan aus April & Nov. 1974

  3. Digitalarchiv Scheida

  4. Magazin: Radio-Elektronik-Schau Österreich 1974 

 


Suchbegriffe: xxx,


Lesetipps aus dem Repertoire des Autors:
 
Rosa HORSKY - Eine Frau der Technik der ersten Stunde des Radios in Österreich
100 Jahre Radio in Österreich 100 JAHRE RADIO in Österreich - Zur Ausstellung im TMW Technischen Museum Wien
 
RKF STUZZI, Wien - Radiobauteile vom Notradio zum vollwertigen Selbstbauradio anno 1950
 
Jubiläum 60 Jahre ORF Stereorundfunk 1964 - 2024 in Österreich
 
REX-Radio - Das Wiener Unternehmen Ing. E. Czasch & Ing. F. Brüch - Von Netzanoden, Detektoren und mehr
 
Der PHILIPS Gegensprechzusatz alias einer Heimsprechanlage AF A7.800 für Röhrenradios im PHILIPS Super-Adagio BA531
Interessantes Zubehör: Der Radio-GARANT Überspannungsschutzstecker
 
VIBUR - Vergessenen österreichischen Radioherstellern auf der Spur
 
HORA Radio Wien HORA Radio - Ein vergessener Wiener Radiohersteller
   

© © Textzusammenstellung 2025-08; W. Scheida/Wien Medienhistoriker, zu  span> www.scheida.at gehörend

Letzte Überarbeitung: 19.08.25