
Bild: Der Schaub-Lorenz "TOURING 70 LUXUS" Typ 110351 und weitere je nach Farbausführung unterwegs mit "200 Sachen" auf der Autobahn mit 6 Watt NF Leistung; Quelle: © Schaub-Lorenz Werbeprospekt 1966
Nach der Auseinandersetzung mit dem TELEFUNKEN Bajazzo de Luxe 201 sowie zuvor mit dem SABA Transall de Luxe, wie auch dem GRUNDIG Ocean Boy 209/210 fand sich ein weiterer einst eher teurer Kanditat für meinen "kritischen Blick" auf die einstigen "Weltempfänger" Kofferradios der 1960/70er Jahre hier mit dem SCHAUB-LORENZ Touring 70 Luxus (H) der Saison 1966.
Ein Hersteller der damals wie heute in den Angeboten unzählig vertreten ist wie meine Analyse in Zusammenhang des optisch etwas ähnlich angelehnten Modells ITT UNIVERSAL belegt.
Dieser Artikel soll das Thema LUXUS zu der ohnehin bereits zumeist großzügigen Ausstattung dieser Modellreihe der Marke noch eingehender beleuchten.
Luxus I
Wer war Schaub?
Namensgebung
...MIT der Besonderheit eines UKW Teils MIT Festsenderspeichertasten
für die bequeme Anwahl der lokalen Radioprogramme. Und somit a
uch
bestens geeignet als Alltagsradio. Zwei Festsendertasten zuzüglich der UKW
Hauptabstimmung, und damals in den 60ern noch relevant einem zuvor eingestellten
AM Sender boten das entsprechende Extra an Komfort.
Das Konzept sieht eine Dualabstimmung, also eine getrennte Abstimmung für AM & FM, jedoch mit einem gemeinsamen Abstimmknopf vor der durch die mechanische Bandwahltaste umgeschaltet wird.
Die Umschaltung wahlweise das obere oder untere gezahnte Mitnehmerrad einrasten läßt.
Siehe Bild rechts, die zwar keine Raketentechnik darstellt.
Nach Jahrzehnten der Nutzung oder auch ungenutzten Lagerung und ohne Ersatzteile es mitunter komplex werden kann.
Andere Hersteller wie u.a. Telefunken hatte dies mit einem zweiten Abstimmregler bewerkstelligen.
Der Kunde war damals jedoch mitunter durch einen weiteren Bedienknopf "überfordert" und wählte dann das vermeintlich einfachere Gerät mit einem "komplizierten" Knopf weniger und damit idealerweise ein Erzeugnis der einstig noch vielfach vorhandenen inländischen Konkurrenz.
Mitunter galt dies auch für den Techniker, da dies eben eine aufwendigere mechanische Lösung auch im Servicefall darstellte.
Die Anfänge finden sich 1921 bei der G. Schaub Apparatebau-GmbH in Berlin, später Pforzheim (unter der Leitung von Georg von Schaub).
Diese Firma endete 1940 mit ihrer Übernahme durch die C. Lorenz, einer Tochter der amerikanischen International Telephone & Telegraph (ITT). Die Firma wurde mit ihrer Marke „Schaub“ zunächst eigenständig weitergeführt.
Bei der 1958 in Stuttgart gegründeten Nachfolgerfirma Standard Elektrik Lorenz (SEL) blieb der Name „Schaub-Lorenz“ als Marke für Unterhaltungselektronik bis 1979, unter Führung des Konzerns abgewandelt zu ITT Schaub-Lorenz sogar bis Ende des Jahres 1987 erhalten.
ITT vermarktete ab 1972 nicht mehr unter Schaub-Lorenz, sondern unter ITT Schaub-Lorenz. (Quelle: Wikipedia, Stand 1/2026)
TOURING beschreibt eine Kofferradioserie des Herstellers Schaub-Lorenz, wobei der TOURING Luxus das Top Modell der Serie in Sachen Komfort und eben auch Luxus darstellte.
Die Bezeichnung "TOURING" bedeutet in diesem Zusammenhang auf Deutsch so viel wie "eine Tour machend" und beschreibt eine Aktivität des Erkundens, in diesem Fall des lokalen UKW Bandes oder gar der ganzen Welt in den damals gut gefüllten Ätherwellen.
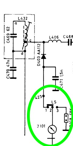
Mit
einer ansteckbaren Kabelfernbedienung, die die Lautstärke parallel zum
eingebauten Poti regeln läßt (Pin 2 & 4) sowie die interne UKW Hauptabstimmung
abschaltend dann ebenso ein entferntes Abstimmpotentiometer zuschaltet.
Das Konzept gleicht sich weitgehend mit der Lösung im TELEFUNKEN Bajazzo de luxe. Noch unbestätigt möglich das es die baugleiche Fernbedienung war die auch hier verwendet wurde.
Bild: Telefunken Bajazzo de Luxe FB Buchsenbeschaltung im
Vergleich, siehe Pin 3 & 4 mit den Unterschieden
Der TOURING Luxus bietet zwei + einmal UKW = 3x -MW-LW & 2 x KW, davon einmal das gespreizte 49 m KW Band per Drucktasten.
UKW gereicht bis 104 MHz und wird mittels eines Spannungswandlers für die damals moderne elektronische Kapazitätsdiodenabstimmung erzeugt.
Die Kurzwelle erhielt mit dem gespreitzen 49 m Band
ein eigenes fein
einstellbares Band für u.a. dem damals beliebten Sender Luxemburg.
Bild: Auszug einiger Ausstattungselemente: UKW
Festsendertasten, Anzeigeinstrument, 2 x Teleskopantenne, Luxemburg in
gespreitzten KW Band, KW-Lupe extra ausgeführt,
Die Transistorbestückung: [AF106 + AF124 + AF125 UKW Tuner] + [1 x AC122 + AF136 AM HF] & [FM ZF + AF138 + AF125 + AF126 ZF + AF137] + [3 x AC122 x 2 x AD155 NF Teil] + [BFY39III DC Wander] = 15 Transistoren, davon 14 aktiv Funktionen für u.a. 14 FM & 8 AM Kreise. 10,7 MHz & 460 kHz ZF
Die MW-LW Ferritantenne wie auch die
BEIDEN integrierten
Teleskopantennen sind mittels Tastendruck auf eine Autoantenne hin
umschaltbar. Die MW erhielt zusätzlich noch einen eigenen Zwischenkreis.
Wenngleich auch beim Wettbewerb häufig so ausgeführt: Die Mittelwelle und hier auch LW wird bei Autobetrieb im Vorkreis induktiv per mechanisch mit dem Drehkondensator gekoppelten Variometer abgestimmt.
Die damals übliche Dreifachnutzung solcher Geräte:
Im Heim per externen Netzteil,
mobil per 5 x 1,5 V Monozellen Batteriebetrieb, und eben auch
im Auto per 6/12V Autosteckadapter die Spannungsversorgung, zumeist ein weiterer Lautsprecher und eben die Autoantenne direkt angekoppelt wurden. Zudem noch versperrbar um es "gesichert" im offenen Cabriolet auch beim Besuch im Cafe belassen zu können. So die Theorie.
Einer 7 (!) pol. DIN Buchse, abwärtskompatibel mit der gebräuchlichen 5 pol. DIN Buchse für die Tonband-Aufnahme und Wiedergabe und einem externen Lautsprecher bzw. (Mono-) Ohrhörer. Pin 6 & 7 davon eben als Spannungszuführung zu externen Zuspielgeräten wie ev. dem Plattenspieler aus gleichem Hause.
Zwei 7 V 0,1 A Skalenlämpchen illuminieren im Auto, wie auch Netzteilbetrieb dauerhaft die Skala. Im Batterie-Portablebetrieb kann sie manuell per Taster zugeschaltet werden. Die Skala leuchtet dann noch nach.

Die Endstufe arbeitet erwartungsgemäß mit den TFK AD155 Transistoren in Komplimentärschaltung noch als "Eisenendstufe" im Ausgang sowie im Treiber bestückt. Zu erkennen die beiden Dioden und der VDR zur Spannungsstabilisierung bzw. Temperaturstabilisierung der Arbeitspunkte. Im Vergleich zum erwähnten TELFUNKEN hat man hier einen Transistor in der Vorstufe mehr gespendet. Zudem leistet man sich mit 10 mA den doppelten Ruhestrom im Vergleich was sich in einer kürzeren Batterielaufzeit bemerkbar machen könnte. Umgekehrt in einem etwas saubereren klirr freieren Klang.
Was er jedoch nicht besitzt:
Kein integriertes Netzteil
Es ist kein echter semiprofessioneller Kurzwellenempfänger, da er nur ein Band, wenn auch Bandgespreizt und keinen Doppelsuperhet aufweist. Ein Schaub Gerät das annähernd in diese Richtung ging war der "Schaub-Lorenz Intercontinental"
Die Maße geben sich mit 310 x 193 x 92 mm bei 3,6 kg (mit Batterien) der im Inneren zu beheimatenden Technik geschuldet.
Damals gab es ihn um den kartellierten Preis von 430,- DM u
| FM | 87,5 bis 104 MHz |
| LW | 145 - 350 kHz |
| MW | 510 - 1.620 kHz |
| KW 1, 49 m Band überlappend | 5,8 - 6,3 MHz |
| KW 2 | 6,8 - 16 MHz |
Die NF Leistung beträgt 2,5 Watt. Bei KFZ Betrieb werden 5 bis 6 Watt, wohl in Abhängigkeit der 6 oder 12 V Bordnetzes angegeben.
Bild: Einstig
Ein Anzeigeinstrument für
"Großraumklang"
Der große 13x18cm Ovallautsprecher mit fettem Magneten, die Werbung sprach von gar 10.000 Gauss verspricht schon einmal einen brauchbaren Klang.
Damit war er zwar nicht der einzige am Markt. Vergleiche a
Bild: Gleiche G
Wie in dieser Klasse üblich, gibt es neben der gehörrichtigen Laustärkeregelung auch einen getrennten Höhen und Bass Regler.
Das Gerät war als defekt deklariert. In den Sinn
kommt mir hier die zwangsläufig über die Jahrzehnte defekt gewordene DEAC
Stabilisierungszelle in der Endstufe. (Spoiler; Dieses Gerät hat dies
NICHT). Nach dem Anschalten einer 7,5 V Quelle gibt es ein sehr leises
Rauschen von sich. Das wars. Viel lauter wird es auch nicht wenn eine
externe DIN Zuspielung geschaltet wird. Das Tuningmeter zeigt den Empfang
von UKW Stationen an. Die beiden Skalenlämpchen leuchten auf Tastendruck.

Verharzte Drehkondensatoren wären die nächsten in der Liste.
Real sind es eine stärkere Verschmutzung des Geräts am Äußeren
Man erkennt an diversen Schrauben das da schon einmal daran gearbeitet wurde.
Der untere Kunststoffgehäuserahmen dehnt sich etwas nach außen.
Und dann kommen Flüssigkeitsschäden unbekannter Art
und Konsistenz. Ausgelaufene Batterien dürften im Batteriefach
schon einmal intensiv gereinigt wordne sein. Innen sind diverse Bauteile, Anschlüße
und Drahtverbindungen zum Teil sehr stark korrodiert.
Manche Elkos quellen am Gummipropfen schon
verdächtig hervor.

Es gibt die originale Serviceanleitung im Netz weshalb ich banales hier nicht nochmals wiedergeben brauche.
Es empfiehlt sich jedoch die Anleitung ZUVOR zu lesen.
Das Gehäuse hat mechanische Dellen und Verformungen
Es galt zuerst sowohl äußerlich wie auch innerlich alle Reste der Korrosion soweit greifbar zu entfernen und zu reinigen.
Zerstörte Nieten an den Buchsenplatten wurden durch Schrauben ersetzt. Die 5pol DIN Buchse mit 4x 240° Abstand für den FB Anschluß wäre ebenso wegen der Korrossion auszutauschen.
Bei der AUTO-Buchse die auch Unterbrecherkontakte, zudem für die Hauptmasseleitung aufweist, wurde diese, da ich dieses Gerät nie an einer AUTO-Halterung betreiben werde einfach kurzgeschlossen. Korrekterweise wäre sie mit einem Originalersatzteil auszutauschen.
Bereits optisch aufgrund der herausquellenden Gummipropfen zumindest zu vermuten waren die 1µF/70V Koppelelkos, die sich zum Teil ohne Kapazität erwiesen was einen Austausch erforderlich macht.
Gleichstrommäßig war aber die Endstufe exakt auf 10mA Ruhestrom eingestellt wie vorgegeben.
Und hier trifft den Techniker die meiner Meinung nach extrem verschachtelte Bauweise mit dem NF Endstufenprint zu dessen Bearbeitung an die 10 Leitungen abgelötet werden müssen nebst dem mechanischen freilösen des Prints aus dem Metallrahmen.
Da ich ohnehin die Werte nachbestellen musste nahm ich mir alle dieser Art Elkos gleich vor um für die Zukunft gewappnet zu sein. Dabei fanden sich auch andere originale Bestückungswerte als im Schaltplan angebenen sind. So z.B. nur 100µF/3V anstelle 250µF bei der Endstufenstabilisierung C676.
Hier
in Summe drei UKW Festsendertasten nebst guten AM
Empfangseigenschaften und gutem Klangvolumen machen das Gerät auch heute als
Alltagsgerät an geeigneten Orten wie z.B. der Küche oder Veranda interessant.
Ein Abstimmzeigerinstrument für die Einstellung auf die optimale Signalfeldstärke nicht zuletzt umschaltbar auch für die Batteriezustandsanzeige, da die Schaltungskonzeption für den Hörer unmerklich bis zum Ende der Batterieladung verläßlich arbeiten soll und ihm so eine Hilfe auf den Weg gegeben wurde rechtzeitig die 5 x 1,5V Monozellen zumindest als Ersatz schon bereitzuhalten.
Die DIN Buchse läßt alle Arten von modernen Zuspielgeräten direkt oder per Bluetooth Adapter daran anschließen.
Schaub-Lorenz bot hier gar ein eigenes Plattenspielermodell für genau diesen Zweck der moblen Zuspielung an.
Der mittlerweile eingeschränkte Frequenzgang bis "nur" 104 MHz läßt jedoch neue hinzugekommene Privatsender in diesem Bereich mitunter außen vor.
Das Fehlen eines integrierten Netzteils was eben ein heute günstiges externes 7,5 V Steckernetzteil, idealerweise aber eher ein Originales 50/100 Hz ersetzen kann.
Das Gehäuse ist nur aus Kunststoff mit Anbauverblendungen das sich zudem leichter bei äußeren Druck verformt. Andere Hersteller hatten hier Pressholzgehäuse.
Vorsicht: Der (-) Minus Massestift ist in der MITTE!
"Primitivere" UKW Festsenderabstimmung
Andere Hersteller hatten hier Miniskalen (Saba / Grundig) und Mehrgang-Rändelabstimmknöpfe mit denen die Sender feinfühliger und leichter Orientiert abgestimmt werden konnten.
Hier ist dies etwas gröber jedoch nicht grob ausgeführt. Der gefundene Sender muß dann mit der Hauptabstimmskala verglichen werden soferne man den Sender nicht an der Sendung erkennt.
Gewöhnungsbedürftig ist auch, wonach für die Nutzung der Haupt-UKW Abstimmung die Rastung der UKW Festsender etwas undefiniert zuvor gelöst werden muß.
Weiteres wäre eine extra Tragtasche erhältlich gewesen.
Ebenso wie bei allen Anbietern üblich ein externes
220V/7,5V Netzgerät, hier die Type NG 1000
mit angegossenem Winkelstecker (Minus INNEN!)

Oder durchaus als etwas besonderes das es ansonsten nur im Fremdmarken Zubehör gab, eine Touroclock 250159, also eine Schaltuhr fürs Nachtkästchen mit integriertem 7,5 V Netzgerät.

Bild: Simple Schaltung die aber seinerzeit ausreichte
um eben die 7,5 V bereitzustellen. Hier eben noch mit einer Schaltuhr und
einem Summer ergänzt. Der Summer war gedacht falls man sich zu einer Zeit
wecken lassen wollte wo kein Sender aktiv war. Heute bezogen auf UKW
ist dies unvorstellbar.
Ebenso wie es sie REAL beim Telefunken de Luxe gab, existiert ebenso ein Anschluß für eine Kabelfernbedienung u.a. für die UKW Abstimmung.
Beidem Zubehör gemein, ist die vorläufige reine "virtuelle Existenz" in Katalogen bzw. Erwähnungen. Real finden sie sich bisweilen in keinen bekannten Sammlungen, geschweige das man sie wo gebraucht kaufen könnte.

Der tragbare Plattenspieler war ebenso ein Batteriegerät. Es soll zudem alternativ auch Fremdgespeist über das 7 pol DIN Kabel vom Touring seine Betriebsspannung erhalten können. Zumindest der Touring konnte das. Für wie lange wäre eine andere Frage.

Für die, die es gediegener und "aufgeräumter" im Heim haben wollten gab es die Touring-Box, also ein relativ gesehen formschöner Holzkasten mit integriertem Lautsprecher, NG-1000 Netzgerät und auch Antennen für UKW und KW wo das Gerät eingeschoben und mechanisch fixiert werden konnte.
Ich denke es werden wenige gewesen sein die diese Lösung einem echten eigenständigen Heimgerät und eben einem eigenen extra Portable-Radio vorzogen das vielleicht die Kinder im Zimmer parallel nutzen konnten, so es nicht im Schlafzimmer der Eltern oder in der Küche seinen Platz fand.
Tele
Wie immer erfolgen alle Marken- und Modellnennungen nur in beschreibender Weise und wird auf die jeweils aktuellen Marken- und Rechteinhaber und deren Ansprüche verwiesen.
Eigenes Gerät Touring 70 Luxus, Typ 110359 mit Seriennummer #774816,
Schaltung von elektrotanya, abgerufen im Jänner 2026
Diverse Online Angebote vergleichbarer Modelle
Suchbegriffe:
, Kurzwelle, Weltempfänger, AD155 Transistorendstufe, UKW Festsendertasten,
![]() |
Die Eumig Eumigette 382W - Ein Radio als Beitrag zum österreichischen Wirtschaftswunder |
![]() |
Alles zum DDR Fernsehen |
![]() |
Der PHILIPS LC2000 Videoprojektor und frühere professionelle Videoprojektionstechnik |
![]() |
All meine frühere Unterhaltungselektronik |
|
für Freunde der Geschichte des Satelliten TV in Europa |
![]() |
TV DX und das Testbild - Für die denen lokale Fernsehprogramme auch über Antenne nie genügt haben |
![]() |
Analoge Antennennostalgie in Wien und in der Wachau in Niederösterreich |
©
Textzusammenstellung 1/2026; W. Scheida/Wien Medienhistoriker, zu www.scheida.at gehörendLetzte Überarbeitung: 25.01.26