
Bild: So mancher schwelgte einst in Träumen von einem ganz besonderen Kofferradio..... Der TELEFUNKEN Bajazzo de luxe 201 Kofferradio aus der Saison 1968 - 1970 war womöglich so einer; Quelle: (C) Telefunken Werbeprospekt
Das Gerät passt in meine Melange aus einer großen virtuellen wie auch mittlerweile wenn auch noch überschaubaren realen Sammlung von "Weltempfänger" Kofferradios und solchen die es gerne sein wollten der 1960/70er Jahre...
...MIT der Besonderheit eines UKW Teils MIT Festsenderspeichertasten für die bequeme Anwahl der lokalen Radioprogramme. Und somit auch bestens geeignet als Alltagsradio. Ein Extra das mit knapp 60 DM als Aufpreis zur sonst baugleichen Modellvariante TS zu Buche schlug.
So habe ich mich bereits am SABA Transall de Luxe, wie auch dem GRUNDIG Ocean Boy 209/210 abgearbeitet, die ZUDEM noch ein NETZTEIL integriert hatten.
Fiktiv spiele ich dabei immer mit dem Gedanken, was hätte ich mir einst für ein Gerät zum jeweils besten Kosten/Nutzenverhältnis, dem Effekt des Besonderen sowie auch in Hinsicht auf die Langlebigkeit und Reparaturfreundlichkeit gekauft?
Vorab zu meinen Ausführungen denke ich der TELEFUNKEN Bajazzo de Luxe könnte zu dieser Klasse gehört haben wo man nicht allzu viel falsch gemacht hätte. Oder positiver formuliert: Eine gute Wahl.
Denn der Hersteller Telefunken, mit dem man damals und noch bis vor kurzem als auch unsere Mittelwellen wie auch Kurzwellensender abgeschaltet und abgetragen wurden bot so die Möglichkeit vom Sender, ja gar der Studiotechnik bis hin zum Empfangsgerät, mit allen aktiven Elementen wie Röhren oder hier Transistoren alles von dieser einst omnipräsenten Marke erhalten zu können.
Bajazzo beschreibt eine Kofferradioserie des Hauses TELEFUNKEN, wobei der 201er de Luxe die Serie in Sachen Komfort und eben auch Luxus in dieser Saison nach oben hin ausklingen ließ.
Die Bezeichnung "Bajazzo" selbst aus dem italienischen kommend heißt in diesem Zusammenhang soviel wie "Spaßmacher," und diese Rolle wollen wir ihm gerne zubilligen.
Er war sogar fernbedienbar per optionaler Kabelfernbedienung Typ 40.40.601 zu DM 45,- konzipiert was ihm diesbezüglich eine weitgehende Alleinstellung bot.
Ein UKW Sender in der Radiostellung - >UKW Hauptabstimmung> sowie die Lautstärke war damit ohne mühevoll die Hand heben zu müssen vom Auto Fahrersitz oder auch dem heimischen Ohrensessel bis hin von bereits im Bett liegenden bis auf rund 5,5 m Abstand bequem einstellbar.
Es fand sich zeitgleich zu dieser Artikel Erstellung ein faires Angebot zu einer solchen FB mit einem wenn auch leicht beschädigten Originalkarton (Mäuseknabberspuren) wo gleich zugeschlagen werden musste.
Ein Stempel "44465" klingt nach einer
Seriennummer. Die Box am Boden ist mit "S&H 8/65 41.2356.055-01" bedruckt.
Bild:
Verpackung
Die FB ist in gutem Zustand, wenngleich sie ihre wohl häufigere Nutzung anhand des sichtbaren Abriebs der Chromfarbe nicht leugnen kann.
Schaumstoffreste im Karton, die Reinigung und Kontaktspraybehandlung bedarf keiner Erläuterung. Selbst der anschraubbare weiße Gummisaugnapf für die KFZ-Windschutzscheibenbefestigung hatte formal überlebt.
Der Bajazzo bietet vier mal UKW-MW-LW-KW und noch das
gespreizte EUROPA MW Band als Teil des MW Gesamtbandes per Drucktasten.

UKW gereicht bis 104 MHz und wird mittels eines Spannungswandler für die damals moderne elektronische Kapazitätsdiodenabstimmung erzeugt.
Das spätere Modell 201 sowie Parallelmodelle hatten bereits den großsignalfesten UKW Tuner.
Die Kurzwelle war per KURZWELLENLUPE zusätzlich fein einstellbar u.a. auf den damals beliebten Sender Luxemburg.
[AF106 + AF121 UKW Tuner MT 301] + [2 x AF136 + AF137 AM HF] & [FM ZF + AF121 + AF137 ZF Baustein 301] + [AC122 + AC116 + 2 x AD155 NF Teil] + BC130A DC Wander = 12 Transistoren, davon 11 aktiv Funktionen für u.a. 12 FM & 7 AM Kreise. 10,7 MHz & 460 kHz ZF
32 x 19 x 90 cm Außenmaße in den Ausführungen anthrazit/dunkelgrau Kunstlederüberzug sowie Teak Holz.
Die MW-LW Ferritantenne wie auch die integrierte Teleskopantenne sind mittels Tastendruck auf eine Autoantenne hin umschaltbar.
Bild: Wenn Sie schon keinen Staubsauger von VORWERK kaufen dann bekamen Sie zumindest einen AM Drehko von dieser Firma die sich wohl mit Mechanikbearbeitung auskannte. Zu erkennen auch der mit Fertigungsdatum 6/1967 gekennzeichnete Kondensator. An meinem 2. Gerät ist jedoch ein etwas schwergängigerer HOPT AM Drehko verbaut. An diesem Gerät "schlupft" zudem die AM Einstellung etwas.
Wenngleich auch beim Wettbewerb häuif so ausgeführt: Die Mittelwelle wird bei Autobetrieb im Vorkreis
induktiv per mechanisch mit dem Drehkondensator gekoppelten Variometer
abgestimmt.

Die damals übliche Dreifachnutzung solcher Geräte:
Im Heim per externen zudem stabilisierten Telefunken Netzteil 201,
mobil per 5 x 1,5 V Monozellen Batteriebetrieb, und eben auch
im Auto per 6/12V Autosteckadapter die
Spannungsversorgung, zumeist ein weiterer Lautsprecher und eben die
Autoantenne direkt angekoppelt
wurden.
Zudem noch versperrbar um es
"gesichert" im offenen Cabriolet auch beim Besuch im Cafe belassen zu
können. So die Theorie.
einer 5 pol. DIN Buchse für die Tonband-Aufnahme und Wiedergabe und einem externen Lautsprecher bzw. (Mono-) Ohrhörer
Ein auch bei 7,5 V Netzteilbetrieb immer nur manuell zuschaltbares Skalenlämpchen illuminiert die Skala. Das Lämpchen hat zudem einen schwarzen Farbklecks als Diffusor auflackiert bekommen.
Die Endstufe arbeitet erwartungsgemäß mit den TFK AD155 Transistoren in Komplimentärschaltung noch als "Eisenendstufe" im Ausgang sowie im Treiber bestückt.
Anders als in Geräten des Wettbewerbes hier keine durch Alterung defekt werdende Stabilyt-Zelle, eine gasdichte NiCd-Zelle verwendet wurden.
Was er jedoch nicht besitzt:
Keine Abstimmhilfe wie etwa ein Zeigerinstrument
Kein integriertes Netzteil
Es ist kein echter semiprofessioneller Kurzwellenempfänger, da er nur ein Band, wenn auch bandgespreizt und keinen Doppelsuperhet aufweist
Nur eine mechanische rote Blende als
Betriebszustandsindikator mit dem Lautstärkeregler vergekoppelt
Bild: "Nur eine leichte Schiebung aber kein Betrug" mit der Mitnehmerschablone die ebenso einer Reinigung und Schmierung bedurfte.
Die Maße geben sich mit 320 x 190 x 90 mm bei ca. 3 kg der im Inneren zu beheimatenden Technik geschuldet.
Damals gab es ihn um 495,- DM und damit auch in der preislichen Oberklasse für diese Kategorie an Kofferempfängern in den zwei Ausführungen, mit Antrazit Folierung wie hier, sowie in TEAK Holz Kassette.
| FM | 87,5 bis 104 MHz |
| LW | 150 - 350 kHz |
| MW | 520 - 1.620 kHz |
| MW EUROPABAND im MW Band gespreizt | 1.415 - 1.620 kHz |
| KW mit geeichter LUXEMBURG Bandspreizung | 5,9 - 12,5 MHz (51-24 m/B) |
UKW besitzt drei frei wählbare Abstimmbereiche. Hinzu kommt die zuletzt eingestellte UKW Frequenz der Hauptskala sowie ebenso getrennt der letzte aufgefundene AM L-M-K Sender.
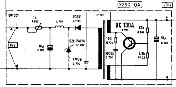
Bild: "Wandel durch Annäherung". Der 7,5 auf 15 Volt DC-Wandler für den Tuner ohne Schnick-Schnack und gut im Gerät zugänglich. Das kennt man z.B. vom GRUNDIG deutlich anders, sprich komplexer.
Dort jedoch auch mit Abschirmbechern die es hier nicht gibt oder nicht braucht. Er erzeugt eine 15 V "fliegende" Floating Spannung was die Masse für den Tuner betrifft hinsichtlich des Messens etwas komplexer macht.
Lediglich, wenn der letzte Sender ein KW Sender war bei dem die Kurzwellenspreizung, die mechanisch mit der UKW Skala verbunden ist bedient wurde dann war auch der dort zuvor eingestellte UKW Sender "weg".

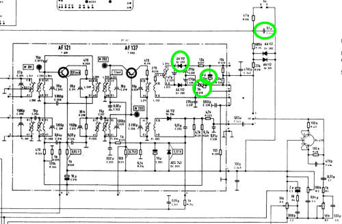
Bild: Die KW-Bandspreizung mechanisch verkoppelt mit der UKW Haupt-Abstimmung sowie das 7V 0,1 A Lämpchen mit Bajonetfassung
Die NF Leistung beträgt 2,5 Watt. Bei KFZ Betrieb gar 5 Watt.
Bild: Einstiger Autofahrer Luxus um die über letztlich Jahrzehnte längste weltweit je ausgestrahlte ORF Radiosendereihe "Autofahrer Unterwegs" mit guter Lautstärke mobil verfolgen zu können. Mit der per Saugnapf an der Windschutzscheibe befestigbaren Kabelfernbedienung wurde je nach Einbauposition die Bedienung noch einfacher.
Quelle: TELEFUNKEN Prospekt
"Großraumklang"
Der große 13x18cm Ovallautsprecher mit fettem Magneten, die Werbung sprach von gar 10.000 Gauss verspricht schon einmal einen brauchbaren Klang.
Damit war er zwar nicht der einzige am Markt. Vergleiche aber mit den parallellen einfacheren "Bajazzo" Modellen sowie anderen Geräten des Wettbewerbes so haben diese vielfach deutlich kleinere Lautsprecher und somit geringer mögliche Klangvolumina verbaut.

Bild: Gleiche Größe wenngleich dort mit einer Hochtonkapsel gab es beim GRUNDIG Ocean Boy (links) und anderen.
Wie in dieser Klasse üblich, gibt es neben der gehörrichtigen Laustärkeregelung auch einen getrennten Höhen und Bass Regler.
Dazu passend klingt die einstige humorvolle Antipode: "Hat es geraucht? Hat es gestunken? Dann war es ganz bestimmt ein TELEFUNKEN!"
Obige Einleitung war tatsächlich kein Witz, sondern bei der Erstinbetriebnahme von einem Online-Anbieter erhalten gab das Gerät tatsächlich Rauchzeichen von sich was mich bewog es für spätere Zeiten und als Reparaturprojekt hinten anzustellen.
Erst ein zweiter Anlauf nun Anfang 2026 läßt das Gerät überraschenderweise auf Anhieb weitgehend brauchbar spielen.
Diverse Aussetzer an Reglern und Tasten abgesehen.
Dazu bekommt der "Speckbacherbua" seinem Namen alle Ehre, bedarf doch das Gerät zuerst eine umfassende Reinigungskur aller speckig wirkenden Tastenelementen und Knöpfen ehe man sich damit weiter abgeben möchte.
Dabei stellt sich heraus, das wohl schon vor vielen Jahren wenn nicht Jahrzehnten da wer drinnen war, wie lose Schrauben und leichte Demontagebeschädigungen belegen. Den Lötstellen nach dürfte man den UKW Tuner MT301 ausgetauscht oder zumindest zum Detailreparieren ausgelötet haben.
Ebenso ist ein Wasser- oder Flüssigkeitseintritt bemerkbar der zwar vertrocknet ist aber womöglich Schäden verursacht haben könnte.
Schaumstoffdämpfer am Drehko sowie Batteriefach, wobei die Batteriekontaktfedern sauber blieben, und die sich ebenso wie üblich aufgelöst haben und durch zwar nicht originäres aber funktionelles von mir so nebenbei ersetzt wurde.
Es gibt die originale Serviceanleitung im Netz weshalb ich banales hier nicht nochmals wiedergeben brauche.
Es empfiehlt sich jedoch die Anleitung ZUVOR zu lesen um sich ein unnötiges Lösen von Schrauben zu ersparen.
Beim Reinigen zeigt sich jedoch, das die rückseitig wohl meist stark verschmutzte Lüftungsblende NICHT zerstörungsfrei demontiert werden kann. Somit bleibt es bei Reinigungsversuchen mit Staubsauger, Reinigungsspray und vielleicht Druckluft.
Der stand auf 40 mA anstelle der empfohlenen 5 mA was entsprechend der Anleitung nachjustiert wurde.
Was aber Erklärungsbedarf über die Beschreibung hinaus aufweist, das ist der Vorgang wie das Tastenaggregat auseinanderzulösen ist um gereinigt, bzw. in meinem Fall die Tastenrasterung bzw. Arretierung reparieren oder zumindest verbessern zu können da die Tasten leicht stecken bleiben.
Das zerlegen ersparte ich mir letztlich. Silikonspray und Lithiumfett machten diesen Teil ausreichend gängig. Hinzu kommt, das mir das Risiko eines selbst fabrizierten Schadens ohne instant Ersatzteilversorgung zu groß ist.
Diese zeigen Risse in der Hülle auf was zumeist eindeutiges bedeutet.
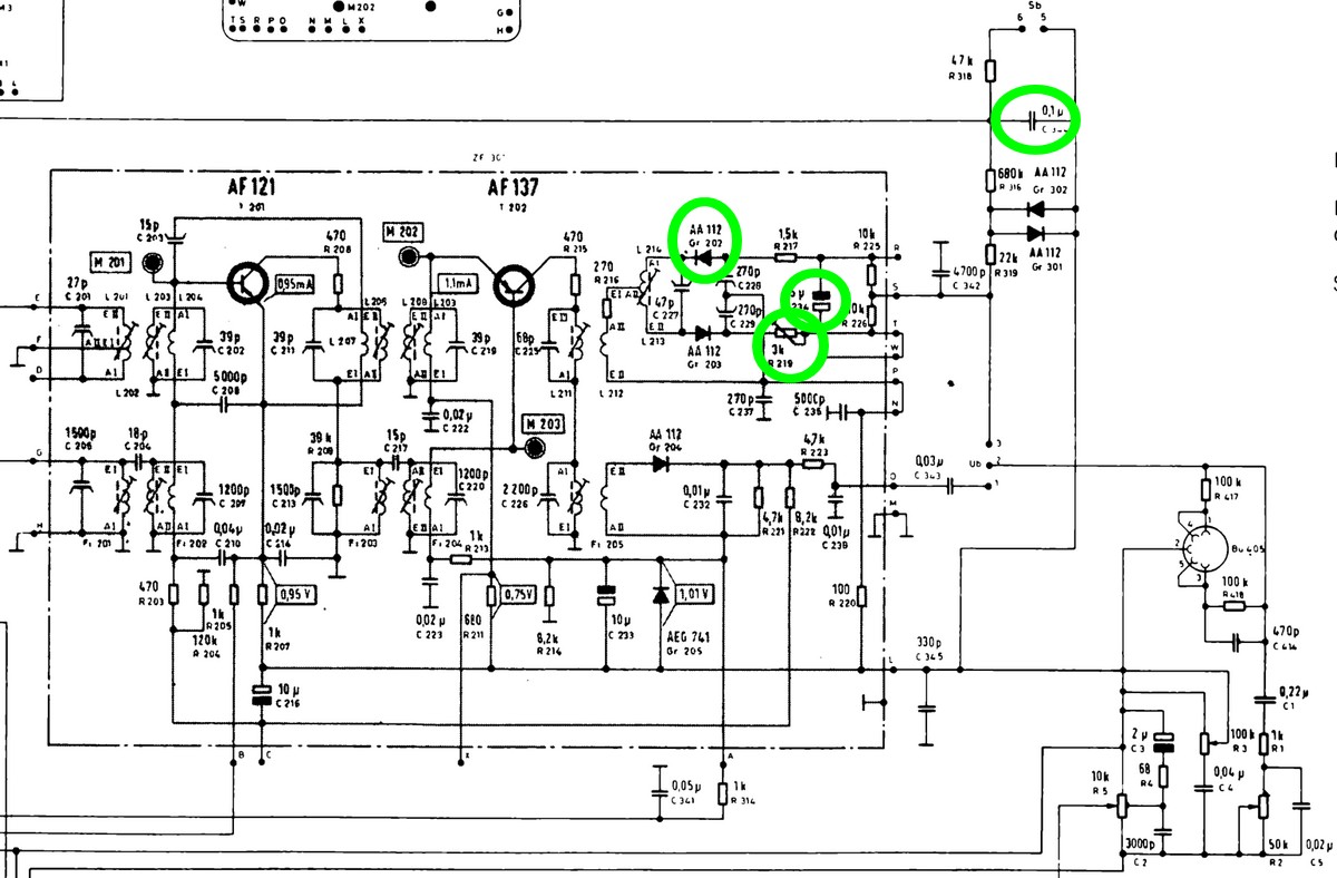
Bild: Hier C338, 10 nF zur Ankoppelung im AM Kreis
Bild: C344, 0,1µF für die AFC
Dieser wurde getauscht da er ebenso keine plausiblen Werte mehr gab.
Was aber leider die Abstimmthematik nicht verbesserte.
Wenn ein Sender ordnungsgemäß eingestellt wurde, dann drückte man diesen mit dem Betätigen der AFC Taste um geschätzt gut 100 kHz weg.
Akustisch spielte das Radio scheinbar einwandfrei und auch empfangsstark. Es wurmte mich aber dennoch das diese Funktion einfach nicht so tut wie sie soll.
Auch ein Abgleich des Ratio nach Anleitung brachte nichts. Hinzu kommt, dass man zum UKW Abgleich in der 201er Anleitung nichts brauchbares findet und aus der 101er Interpolieren muß, der aber in Details wiederum anders ausgeführt ist.
Der Ratio erzeugte auch immer nur eine positive Nachstimmspannung. Ein Nulldurchgang und dann eine negative AFC Spannung fehlte völlig.
Hinzu kommt, das ich den ZF Abschirmbecher bzw. die gesamte Einheit nicht ausbauen und öffnen wollte, also bestenfalls den Abgleich und die Periphärie betrachten kann.

Bild: Der ZF 301 Alu Abschirmbecher mit drei Kammern und Datumsaufkleber für Woche 25 1966?
Bis zum Tausch oder besser gesagt dem äußerlichen Anbringen eines Ratioelkos wäre dies, da sehr viele Leitungen ohnehin nach außen verlegt sind möglich was aber nur bedingt hilft.
Beim Versuch des Abgleichs des seitlichen Ratio-Trimmers spürte ich zudem das es mechanisch auseinandergefallen war.
Und so packte ich den Stier, oder zumindest die X Lötstellen, bei denen sich leider dann auch schon Leiterplattenfolien verabschiedeten nach dem Lösen von 5,5er Sechskantschrauben "bei den Hörnern".

Die Demodulatoreinheit wurde ausgebaut und zerlegt was zwar kein Hexenwerk war aber doch seinen Aufwand und Zeitbedarf hatte.
Der Print hat alle Bauteile sehr eng angeordnet.

Bild: Der Print mit dem getauschten Trimmer und Ratioelko nebst Diode. Beachte die Bauart der Widerstände.
Der 3k Trimmer wurde getauscht. Eine AA112 Demodulatordiode zerbrach sofort beim ersten Berühren und konnte aus dem eigenen Fundus, ca. 600 mV/ 2,3 µA Type ersetzt werden. Widerstände und Kondensatoren wurden gemessen und geprüft ehe wieder alles zusammengebaut und eingelötet wurde.
Und siehe da, nach dem Abgleich auf Maxima gibt es die einwandfreie Funktion der AFC mit pos. wie neg. Abstimmspannung.
Die Abstimmspannung kann übrigens am Mittenpin der 5 pol DIN Buchse gemessen werden. Nur die Masse dazu ist etwas herausfordernd zu suchen.
Gar vier UKW Festsendertasten nebst guten AM Empfangseigenschaften und gutem Klangvolumen machen das Gerät auch heute als Alltagsgerät an geeigneten Orten wie z.B. der Küche oder Veranda ideal.
Die DIN Buchse läßt alle Arten von modernen
Zuspielgeräten direkt oder per Bluetooth Adapter daran anschließen.
Als Gag wäre dann noch die Fernbedienung die man an eine weitere 5 pol DIN Buchse anzuschließen hat den erstaunten Gästen vorzuführen wenn man denn eine bekommt. Das LS Poti wird dabei an den Fußpunkt des eingebauten Potis geschaltet, was das Einstellen einer Grundlautstärke bedarf.
Das UKW Abstimmpoti aber wird per in die DIN Buchse integrierte Schalter anstelle des integrierten Hauptabstimmpotis geschaltet. Mit dem haptisch gut in der Hand liegenden großen UKW Abstimmrad ist folglich die Abstimmung noch schneller und feinfühliger über das ganze Band möglich.
Im Vergleich zu den mir bekannten "total verbauten" SABA Transall de luxe oder auch den INGELEN/GRAETZ Kofferradios ist der Telefunken sehr servicefreundlich konzipiert.
Der mittlerweile eingeschränkte Frequenzgang bis "nur" 104 MHz läßt jedoch neue hinzugekommene Privatsender in diesem Bereich mitunter außen vor.
Das Fehlen eines integrierten Netzteils was eben ein heute günstiges externes 7,5 V Steckernetzteil, idealerweise aber eher ein Originales 50/100 Hz ersetzen kann.

Vorsicht: Der (-) Minus Massestift ist in der MITTE!
"Primitivere" UKW Festsenderabstimmung
Andere Hersteller hatten hier Miniskalen (Saba / Grundig) und Mehrgang-Rändelabstimmknöpfe mit denen die Sender feinfühliger und leichter Orientiert abgestimmt werden konnten.
Hier ist dies etwas gröber jedoch nicht grob ausgeführt. Der gefundene Sender muß dann mit der Hauptabstimmskala verglichen werden soferne man den Sender nicht an der Sendung erkennt.
Gewöhnungsbedürftig ist auch, wonach für die Nutzung der Haupt-UKW Abstimmung die Rastung der UKW Festsender etwas undefiniert zuvor gelöst werden muß.
Fehlende Teile
Vielfach fehlen bereits die Beschriftungsblättchen an den Drucktasten oder dem Lichtknopf weil frühere Besitzer geglaubt haben die Blättchen irgendwo in eine "Klumpertlade" zu legen und irgendwann dann einmal sich darum zu kümmern was sie vielfach (zum Glück nicht hier) belegbar und nachweislich jedoch nie taten und nun auch die Blättchen wenn schon nicht funktionsentscheidend so doch aber optisch beeinträchtigend fehlen.
Nur wer hier SOFORT (=JETZT GLEICH) handelt und geeignet nachklebt wird eine Freude haben.
Ebenso fehlen gerne die beiden Abdeckplastikkappen an den Rändelschrauben des Tragegriffs. Sowie die Staubkappen für die beidseitigen DIN Buchsen.
Die Antenne ist ohnehin stets zu kontrollieren ob vollständig und nicht verbogen.
Das Gerät überrascht bzw. bestätigt sich mit einem sehr guten empfindlichen UKW Empfang. Die Trennschärfe ist für die heute voll belegten UKW Bänder gerade noch ausreichend.
Ob es ein Abstimmproblem ist, im jeweils oberen Frequenzbereich gibt es eine zweite leicht verzerrte Empfangsspitze je Sender?
Anders als erwartet, rastet mechanisch die UKW Umschaltung einfach haptisch gut erfassbar zwischen Festsendern und Hauptabstimmung bei Bedarf ein.
Einwandfrei fängt die AFC Nachstimmung sowohl beim "Loslegen" zur Sendersuche, als auch beim Zuschalten wenn man am Ende (bzw. erst am Anfang) der Senderbandbreite angekommen ist. Dies gilt auch bei Verwendung der wirklich praktischen Fernbedienung.
Der AM Test am Abend brachte KW, MW und sogar LW Sender herein. Lediglich die "Europaband" Spreizung brachte am Testabend nichts brauchbares.
Haptisch kann man eben bei KW mit dem UKW Regler eine Feinabstimmung durchführen.
Dies werde ich mit einem Langdrahtantennendirektanschluß an der "Auto" Buchse nochmals probieren.
Nachtrag: Zwar ist der Störpegel geringer, aber mehr Sender gibt es damit auch nicht.
Griffig und leichtgängig zugleich sind zudem die Drehknöpfe und die Skalenführung bei der Abstimmung.
Die zuschaltbare Skalenbeleuchtung ist als gut zu bezeichnen. Man würde sich aber auch eine Illumination der Tastenzuordnung wünschen.
Ein satter und mehr als ausreichend lauter Klang.
Das Gerät ist ebenso optisch schön und mechanisch stabil gebaut und macht einen sehr wertigen Eindruck.
Es scheint als hätten die Telefunken Ingenieure in den Details etwas einfachere mechanische wie auch elektrische Lösungen denn etwa SABA oder GRUNDIG gefunden die aber für den Hörer nicht unbedingt fehlen dürften.
Lediglich in Design- und Materialnuancen erkennt man eine aufwendigere und höherwertige, und somit teurere Verarbeitung bzw. Gerätekonzeption bei den beiden genannten Wettbewerbern.
Die Kabelfernbedienung, zufällig mit Orignalkarton aktuell zur Zeit der Reparaturauseinandersetzung offeriert, wurde schon bestellt um das im Titelbild gedachte Szenario 1:1 nachbilden zu können.
Getestet wurde mit Batteriebetrieb. Ebenso soll aber ein Originalnetzteil das Ensemble vervollständigen womit das Fehlen eines integrierten Netzteils auch zugleich als eigentliches Hauptmanko für einen Alltagsbetrieb verbleibt.
Das Gerät wird fortan meinen HEA TRIXI 2500N als "Wochenendradio" im Wohnzimmer ersetzen da es eben klanglich eine bessere Liga spielt.
Zudem mit der Fernbedienung das "mühevolle" hindrehen zur Abstimmung erspart.
Für andere Käufer ist diese Type mitunter ein guter Tip was auch die teilweise günstigeren Parallelmodelle wie der TS 201 oder noch besser die einstigen Exportmodelle die bis 108 MHz gehen OHNE Festsendertasten aber ebenso mit dem großen "Großraum" Lautsprecher betrifft und die ständig "massenhaft" angeboten werden.
Von möglichen verharzten AM Drehkondensatoren, gebrochenen Teleskopantennen, fehlenden Beschriftungen und Abdeckungen oder beschädigten Gehäusen soll man sich eben das Beste zum idealen Kurs aussuchen.
Zubehör:
Telefunken lieferte nebst Netzteil, Autohalterung und Fernbedienung weiteres Zubehör wie Kopfhörer etc. zur universellen Integration des Geräts in das Nutzungsprofil.
Was Netzteile betrifft, konnte man aber auch damals schon alternativen wählen wobei das von Stolle zudem recht bauähnlich wirkt:
Netzteil Typ N 3406 Funkschau Heft 22/1969
Telefunken BAJAZZO's gab es schon lange vor dieser Serie und ebenso noch lange dannach u.a. auch als Radio-Kassettenrecorder bis hin zum Stereo Ghettoblaster.
Hier jedoch bleiben wir bei den 1960/70er Modellen mit weitgehend ÄHNLICHEM Design und technischen Grundkonzept zum Vergleichen wobei sich im Prinzip zwei Grundtypen ausmachen lassen.
| Bild | Marke | Modell | Saison | Info | Sonst. | Lautsprecher |
|
TELEFUNKEN | Bajazzo TS 5411 | 1963/64 | U-M-2xKW, Kunststoffbezug, | Getrennte AM-FM Abstg. | Kl. Lautspr. |
| TELEFUNKEN | Bajazzo TS 3411 | 1963/64 | U-M-L-K, Teak, | Getrennte AM-FM Abstg. | Kl. Lautspr. | |
| TELEFUNKEN | Bajazzo TS 3511 | 1964/65 | U-M-L-K | Getrennte AM-FM Abstg. | Kl. Lautspr. | |
| TELEFUNKEN | Bajazzo Sport 3591L | 1964/65 | U-M-L | Getrennte AM-FM Abstg. | Kl. Lautspr. | |
| TELEFUNKEN | Bajazzo Sport 3591K | 1964/65 | U-M-K | Getrennte AM-FM Abstg. | Kl. Lautspr. | |
| TELEFUNKEN | Bajazzo TS 3611 | 1965/66 | U-M-L-K, Holzgehäuse | Getrennte AM-FM Abstg. | Kl. Lautspr. | |
| TELEFUNKEN | Bajazzo TS 3611M | 1965/66 | U-M-L-K anderer Bereich, Holzgehäuse, Kunststoffg., | Getrennte AM-FM Abstg. | Kl. Lautspr. | |
![]() |
TELEFUNKEN | Bajazzo de luxe 3611 | 1965/66 | 4 x U-M-L-K, Holzgehäuse, Kunststoffg., | Getrennte AM-FM Abstg. | Kl. Lautspr. |
|
TELEFUNKEN | Bajazzo TS 5511 | 1964/65 | U bis 108 MHz, M-SW1-SW2, Exportversion, Holzausführung, | Getrennte AM-FM Abstg. | Kl. Lautspr. |
| TELEFUNKEN | Bajazzo Junior 3691L | 1965/66 | U-M-L, Holzausführung oder Kunststoffbezug, | Getrennte AM-FM Abstg. | Kl. Lautspr. | |
| TELEFUNKEN | Bajazzo Junior 3691K | 1965/66 | U-M-K, Holzausführung oder Kunststoffbezug, | Getrennte AM-FM Abstg. | Kl. Lautspr. | |
|
TELEFUNKEN | Bajazzo de luxe 101 | 1966/67 | Runde UKW Stationstasten, AFC Taste links, | Getrennte AM-FM Abstg. | Kl. Lautspr. |
| TELEFUNKEN | Bajazzo TS 101 | 1966/67 | U-M-L-K, Holzausführung, | Getrennte AM-FM Abstg. | Kl. Lautspr. | |
| TELEFUNKEN | Bajazzo Sport 101L | 1966-68 | U-M-L, Holzausführung oder Kunststoffbezug, | Getrennte AM-FM Abstg. | Kl. Lautspr. | |
|
TELEFUNKEN | Bajazzo Sport 101K | 1966-68 | U-bis 108 MHz-M-K, Holzausführung oder Kunststoffbezug, | Getrennte AM-FM Abstg. | Kl. Lautspr. |
|
TELEFUNKEN | Bajazzo junior 101 | U-M-L | Getrennte AM-FM Abstg. | Kl. Lautspr. | |
|
TELEFUNKEN | Bajazzo junior 105 | U bis 108 MHz-M-K | Getrennte AM-FM Abstg. | Kl. Lautspr. | |
| TELEFUNKEN | Bajazzo de luxe 105 | 1966/67 | Runde UKW Stationstasten, UKW bis 108 MHz, MW, 2 x KW Band jedoch KEIN LW, Vinylbezug, | Getrennte AM-FM Abstg. | Kl. Lautspr. | |
| TELEFUNKEN | Bajazzo de luxe 5611 | 1967? | Runde UKW Stationstasten, UKW bis 108 MHz, MW, 2 x KW Band jedoch KEIN LW, Vinylbezug, | Getrennte AM-FM Abstg. | Kl. Lautspr. | |
| TELEFUNKEN | Bajazzo TS 5611 | 1965/1966 | Runde UKW Stationstasten, UKW bis 108 MHz, MW, 2 x KW Band jedoch KEIN LW, Holzausführung, | Getrennte AM-FM Abstg. | Kl. Lautspr. | |
| TELEFUNKEN | Bajazzo TS 105 | 1964 | Wie de luxe, jedoch OHNE UKW Wahltasten, 440 DM, | Getrennte AM-FM Abstg. | ||
| TELEFUNKEN | Bajazzo de luxe 105 | 1966/67 | U bis 108 MHz, M-SW1-SW2, Exportversion, Vinyl, | Getrennte AM-FM Abstg. | ||
| TELEFUNKEN | Bajazzo de luxe 201 | 1968/69 | Rechteckige UKW Wahltasten sowie zusätzliche MW EUROPA Band Taste, | Getrennte AM-FM Abstg. | Gr. Lautspr. | |
| TELEFUNKEN | Bajazzo TS 201 | 1968/69 | Wie de luxe, jedoch OHNE UKW Wahltasten, 440 DM, | Getrennte AM-FM Abstg. | Gr. Lautspr. | |
|
TELEFUNKEN | Bajazzo sport 201 | 1969-72 | 2 x MW, KW, UKW, LW, | Getrennte AM-FM Abstg. | Gr. Lautspr. |
|
TELEFUNKEN | picnic | 1966/67 | auch 101L, 201K, 101K, 201L, & Universal 301 | Getrennte AM-FM Abstg. | Gr. Lautspr. |
| TELEFUNKEN | Bajazzo TS 205 | 1967 | UKW bis 108 MHZ, SW1 /& SW2 aber keine LW, | Getrennte AM-FM Abstg. | Gr. Lautspr. | |
| TELEFUNKEN | Bajazzo de luxe 205 | Getrennte AM-FM Abstg. | Gr. Lautspr. | |||
| TELEFUNKEN | Bajazzo Junior 205 | UKW bis 108 MHz-M-K, | Getrennte AM-FM Abstg. | |||
| TELEFUNKEN | Bajazzo universal 201 | 1971/72 | U-M-XxKW, LW, "Neue Designlinie" | Getrennte AM-FM Abstg. | Gr. Lautspr. | |
|
TELEFUNKEN | Bajazzo TS 301 | U-M-K-L, "Neue Designlinie", Abstimminstrument, | Getrennte AM-FM Abstg. | ||
|
TELEFUNKEN | Bajazzo TS 401 | U-M-K-L, "Neue Designlinie", Abstimminstrument, Netzteil integriert, | Gemeinsame Abstg. | ||
| TELEFUNKEN | Bajazzo TS 402 | U-M-K-L, "Neue Designlinie", Abstimminstrument, Netzteil integriert, |
Eigenes Gerät mit Seriennummer #576675 (VORWERK Drehko, sowie Original Fernbedienung. Zweites Gerät mit #329912 (HOPT Drehko)
Schaltung von freemanuals.info sowie elektrotanya
Diverse Online Angebote vergleichbarer Modelle
Suchbegriffe:
Telefunken Bajazzo de luxe 201, Kurzwelle, Weltempfänger, AD155 Transistorendstufe, UKW Festsendertasten, HOPT Drehkondensator, VORWERK Drehkondensator, Bajazzo Kabelfernbedienung,
![]() |
Die Eumig Eumigette 382W - Ein Radio als Beitrag zum österreichischen Wirtschaftswunder |
![]() |
Alles zum DDR Fernsehen |
![]() |
Der PHILIPS LC2000 Videoprojektor und frühere professionelle Videoprojektionstechnik |
![]() |
All meine frühere Unterhaltungselektronik |
|
für Freunde der Geschichte des Satelliten TV in Europa |
![]() |
TV DX und das Testbild - Für die denen lokale Fernsehprogramme auch über Antenne nie genügt haben |
![]() |
Analoge Antennennostalgie in Wien und in der Wachau in Niederösterreich |
©
Textzusammenstellung 1/2026; W. Scheida/Wien Medienhistoriker, zu www.scheida.at gehörendLetzte Überarbeitung: 23.01.26